本期目录

2018年, 第29卷, 第06期 刊出日期:2018-06-22
  

  • 全选
    |
  • Weixin Huang, Zili Wu, Junwang Tang, Wei David Wei, Xuefeng Guo
    中国化学快报. 2018, 29(06): 725-726. https://doi.org/10.1016/j.cclet.2018.05.021
    摘要 ( ) PDF全文 ( ) HTML 可视化 收藏
  • 评论
  • Ievgen I. Nedrygailov, Hyosun Lee, Si Woo Lee, Jeong Young Park
    中国化学快报. 2018, 29(06): 727-733. https://doi.org/10.1016/j.cclet.2018.01.036
    摘要 ( ) PDF全文 ( ) HTML 可视化 收藏
    Understanding the fundamental mechanisms for charge transfer in supported catalysts is of great importance for heterogeneous catalysis. Several experimental and theoretical results suggest that charge flow through metal-support interfaces leads to the catalytic enhancement that is often observed in mixed catalysts. Therefore, it is crucial to directly probe this charge flow in metal-support catalysts during catalytic reactions. In this review, we consider the main aspects of research studying the processes that create and allow interfacial transfer of highly excited (hot) charge carriers in supported catalysts, and discuss the effect of this charge transfer on catalytic activity. We show a close connection between the phenomena of hot electron creation and chemical energy dissipation that accompanies catalytic reactions at both the gas/solid and liquid/solid interfaces. The intensity of hot electron flow is well correlated with the turnover rates of corresponding reactions, which opens up the possibility for developing new operando methodologies for studying chemical processes on catalytic surfaces.
  • Angie Davina Tjandra, Jun Huang
    中国化学快报. 2018, 29(06): 734-746. https://doi.org/10.1016/j.cclet.2018.03.017
    摘要 ( ) PDF全文 ( ) HTML 可视化 收藏
    The rising CO2 level, population boom and increasing energy demand prompts the need of an efficient and sustainable solution to tackle the global warming issue. Reduction of greenhouse gas (GHG) emission through the conversion of detrimental CO2 into methanol is one of the most promising solutions for optimising economic and resource efficiency. The utilisation of the abundant and sustainable sunlight to replace thermal and electric energy for CO2 conversion to valuable chemicals is a highly sustainable process and attracted much research interests. Herein, we summarised the catalytic methods for CO2 conversion to methanol, reviewed the photocatalytic properties and efficient photocatalysts, as well as their performance. Carbon quantum dots (CQDs) as a new member of the carbon nanomaterials family have attracted increasing attention owing to their excellent photoluminescence property, light harvesting capability, charge recombination suppression and effective electron transport ability. This paper highlighted the multifaceted roles of CQDs in photocatalytic reactions. To this end, the challenges and future directions of CQDs-based photocatalysts have been outlined.
  • Jia-Huan Du, Luming Peng
    中国化学快报. 2018, 29(06): 747-751. https://doi.org/10.1016/j.cclet.2018.02.012
    摘要 ( ) PDF全文 ( ) HTML 可视化 收藏
    Solid oxide materials have widespread applications which are often associated with their surface structure and properties. Solid-state nuclear magnetic resonance (NMR) spectroscopy is one of the most powerful methods that give detailed local structural information of solid materials. Recent developments in dynamic nuclear polarization (DNP) NMR spectroscopy and 17O surface-selective isotopic labeling provide more opportunities in investigations of surface structure and properties of oxide materials. We describe in this review some of the latest progress in this field. DNP NMR can enhance the sensitivity of surface sites on the oxides by one to two order of magnitude, making very low concentrated species on the surface of oxides visible in NMR spectroscopy. On the basis of surface-selective 17O isotopic labeling, 17O NMR spectroscopy is now able to distinguish surface oxygen species on the different facets or different surface layers in oxide nanostructures. The nature of these facets can also be probed with help of 31P NMR spectroscopy along with phosphorous-containing probe molecules.
  • 综述
  • Zongfang Wu, Feng Xiong, Zhengming Wang, Weixin Huang
    中国化学快报. 2018, 29(06): 752-756. https://doi.org/10.1016/j.cclet.2018.01.019
    摘要 ( ) PDF全文 ( ) HTML 可视化 收藏
    Interaction of hydrogen with TiO2 plays a vital role in TiO2-based photocatalysis and thermal catalysis. In this work, we compared thermal-, photo-, and electron-induced reactivity of various types of hydrogen species on a rutile TiO2(110) surface formed by atomic H exposure at 320 and 115 K by means of thermal desorption spectroscopy, X-ray photoelectron spectroscopy and low energy electron diffraction. Atomic H interaction with rutile TiO2(110) at 115 K forms surface Ti—H hydride, surface hydroxyl group, and chemisorbed water. Upon heating, surface Ti—H hydride reacts to produce H2 while surface hydroxyl groups react to form both water and H2. Atomic H interaction with rutile TiO2(110) at 320 K strongly reduces TiO2 due to the continuous formation and desorption of water and forms surface hydroxyl groups and likely subsurface/bulk hydrogen species. Upon heating, hydrogen forms as the only gas-phase product and its desorption activation energy decreases with the subsurface/bulk reduction extent of rutile TiO2(110). Surface Ti—H hydride exhibits photo-induced reactivity while both surface Ti—H hydride and surface hydroxyl group exhibit electro-induced reactivity. These results have important implications for understanding the hydrogen-involved thermal and photo reactions on TiO2-based catalysts.
  • Stephen Rhatigan, Michael Nolan
    中国化学快报. 2018, 29(06): 757-764. https://doi.org/10.1016/j.cclet.2017.11.036
    摘要 ( ) PDF全文 ( ) HTML 可视化 收藏
    Surface modification with metal oxide nanoclusters has emerged as a candidate for the enhancement of the photocatalytic activity of titanium dioxide. An increase in visible light absorption and the suppression of charge carrier recombination are necessary to improve the efficiency. We have studied Mg4O4 and Sn4O4 nanoclusters modifying the (101) surface of anatase TiO2 using density functional theory corrected for on-site Coulomb interactions (DFT + U). Such studies typically focus on the pristine surface, free of the point defects and surface hydroxyls present in real surfaces. We have also examined the impact of partial hydroxylation of the anatase surface on a variety of outcomes such as nanocluster adsorption, light absorption, charge separation and reducibility. Our results indicate that the modifiers adsorb strongly at the surface, irrespective of the presence of hydroxyl groups, and that modification extends light absorption into the visible range while enhancing UV activity. Our model for the excited state of the heterostructures demonstrates that photoexcited electrons and holes are separated onto the TiO2 surface and metal oxide nanocluster respectively. Comparisons with bare TiO2 and other TiO2-based photocatalyst materials are presented throughout.
  • Fei Li, Wen-Hao Huang, Xue-Qing Gong
    中国化学快报. 2018, 29(06): 765-768. https://doi.org/10.1016/j.cclet.2018.01.014
    摘要 ( ) PDF全文 ( ) HTML 可视化 收藏
    Titanium dioxide (TiO2) is one of the most widely studied transition metal oxides, especially for its unique performances in heterogeneous photocatalysis. Different phases of TiO2 have been found to exhibit different photo-activities, though the origins are still not fully understood. In this work, we use the density functional theory (DFT) calculations, corrected by on-site Coulomb and long-range dispersion interactions, to study the adsorptions of nitric oxide (NO) and oxygen (O2) molecules on the clean and hydrogenated anatase TiO2(101) surfaces. We also compare the detailed calculated results regarding their structural, energetic and electronic properties with those obtained at rutile TiO2(110). It has been found that the behaviors of the surface localized electrons being transferred from adsorbed H, as well as the adsorption behaviors of NO and O2 are quite different at the two surfaces, which can be attributed to their characteristic local bonding structures around the surface hydroxyl. These results may also help explain the different photocatalytic activities of these two main facets of anatase and rutile TiO2.
  • Charles A. Roberts, Somphonh P. Phivilay, Israel E. Wachs
    中国化学快报. 2018, 29(06): 769-772. https://doi.org/10.1016/j.cclet.2017.09.029
    摘要 ( ) PDF全文 ( ) HTML 可视化 收藏
    Titanium dioxide (TiO2) is the most widely studied solid photocatalyst, but when applied to photocatalytic splitting of water to H2 and O2, the evolution rate of H2 is low and decreases with reaction time. The origin of the decreasing evolution rate for the photocatalytic splitting of water was investigated for the first time by directly monitoring the surface species on TiO2 during water photocatalysis with in situ attenuated total reflectance (ATR)-Fourier transform infrared (FTIR) spectroscopy. The in situ ATR-FTIR spectroscopic analysis during UV illumination of TiO2 immersed in water reveals that surface dioxygen and hydroxyl species are formed on TiO2:charged Ti—OOH-, peroxo Ti(O2)2-, and bridging Ti—(OH+) —Ti groups. The accumulation of these surface oxygenated species on the TiO2 photocatalyst blocks the activation of H2O on the surface titania sites and is responsible for the decreasing H2 evolution rate and absence of O2 evolution.
  • Caitlin Buck, Nathan Skillen, Jeanette Robertson, Peter K. J. Robertson
    中国化学快报. 2018, 29(06): 773-777. https://doi.org/10.1016/j.cclet.2018.04.022
    摘要 ( ) PDF全文 ( ) HTML 可视化 收藏
    The development of photocatalytic technology has grown significantly since its initial report and as such, a number of screening methods have been developed to assess activity. In the field of environmental remediation, a crucial factor is the formation of highly oxidising species such as OH radicals. These radicals are often the primary driving force for the removal and breakdown of organic and inorganic contaminants. The quantification of such compounds is challenging due to the nature of the radical, however indirect methods which deploy a chemical probe to essentially capture the radical have been shown to be effective. As discussed in the work presented here, optimisation of such a method is fundamental to the efficiency of the method. A starting concentration range of coumarin from 50 μmol/L to 1000 μmol/L was used along with a catalyst loading of 0.01 g/L to 1 g/L TiO2 to identify that 250 μmol/L and 0.5 g/L TiO2 were the optimum conditions for production. Under these parameters a maximum production rate of 35.91 μmol/L (Rmax=0.4 μmol/L OH·min-1) was achieved which yielded at photonic efficiency of 4.88 OH·moles photon -1 under UV irradiation. The data set presented also highlighted the limitations which are associated with the method which included; rapid exhaustion of the probe molecule and process inhibition through UV light saturation. Identifying both the optimum conditions and the potential limitations of the process were concluded to be key for the efficient deployment of the photocatalytic screening method.
  • Yajuan Hao, Yanfang Liu, Rui Yang, Xiaoming Zhang, Jian Liu, Hengquan Yang
    中国化学快报. 2018, 29(06): 778-782. https://doi.org/10.1016/j.cclet.2018.01.010
    摘要 ( ) PDF全文 ( ) HTML 可视化 收藏
    Developing methods for efficient product/catalyst separation and catalyst recycling is meaningful in multi-phase catalytic reactions. Here, we reported a pH-responsive emulsion system stabilized by interfacially active TiO2 nanoparticles for achieving in situ product/catalyst separation and catalyst recycling. In this system, emulsification and demulsification process could be easily engineered through tuning the pH values. The emulsion droplets were destroyed completely at a pH value of 3-4, and the solid catalyst distributed in the aqueous phase could be used to the next reaction cycle after removal of the organic product and adjusting the pH to 7-8. Such a pH triggered switchable Pickering emulsion catalytic system not only shows good recyclability of the solid catalyst but also high catalytic efficiency, and could be recycled more than 10 cycles.
  • Kun Qian, Evan Wenbo Zhao, Shuai He, Wei David Wei
    中国化学快报. 2018, 29(06): 783-786. https://doi.org/10.1016/j.cclet.2018.03.027
    摘要 ( ) PDF全文 ( ) HTML 可视化 收藏
    Sonophotocatalysis combines ultrasonic and light irradiations to drastically boost the chemical reaction rate and has attracted many interests for its potential applications in the environmental remediation and protection. However, it still remains unclear whether the light irradiation could couple with the ultrasound to prompt the sonophotocatalytic process. Here, we selectively excited the TiO2 and Au to manipulate the electronic structures of Au/TiO2 and studied their influence in sonophotocatalytic water (H2O) reduction. Surprisingly, no significant increase of the hydrogen (H2) production rate was observed under either the UV light irradiation or the visible light irradiation, suggesting that the change in electronic structures of Au/TiO2 does not prompt the generation of free radicals under sonication and the reaction is dominated by the recovery of active sites through ultrasound. Our findings established an indepth understanding of the origin of the enhanced catalytic activity in sonophotocatalysis.
  • Man Zhou, Muhong Li, Chujun Hou, Zhongyu Li, Yongzheng Wang, Kun Xiang, Xuefeng Guo
    中国化学快报. 2018, 29(06): 787-790. https://doi.org/10.1016/j.cclet.2018.03.010
    摘要 ( ) PDF全文 ( ) HTML 可视化 收藏
    In this work, a series of Pt nanocrystallines (Pt NCs) supported onTiO2 substrate with controlled thickness of carbon layers (C-Pt/TiO2) were synthesized. Well-dispersed Pt NCs were facilely synthesized at room temperature by a photo-reduction process in lytropic liquid crystal (LCs). Surface tuning of the carbon layers on Pt/TiO2 catalysts was achieved by varying the calcination atmospheres (in argon, air, and oxygen) and characterized by XPS and HRTEM. The influence of the coated carbon layers on the catalytic activity of catalysts is investigated by CO oxidation reaction which presented the following ranks:C-Pt/TiO2-O2 > C-Pt/TiO2-Air > C-Pt/TiO2-Ar. It is found that the carbon layer coating can stabilize the Pt NCs and enable them anti-sintering at high temperature. This finding provides new insight into understanding the C-Pt/TiO2 ternary system for tuning their catalytic performance.
  • Yaodong Zhu, Qinfeng Qian, Guozheng Fan, Zhili Zhu, Xin Wang, Zhaosheng Li, Zhigang Zou
    中国化学快报. 2018, 29(06): 791-794. https://doi.org/10.1016/j.cclet.2018.01.022
    摘要 ( ) PDF全文 ( ) HTML 可视化 收藏
    For Ti-doped hematite photoanodes, high temperature annealing drastically increases the water oxidation plateau photocurrent, but also induces an anodic shift of onset potential by about 100 mV, thus hindering the performance under low applied bias. To the best of our knowledge, the effects of high temperature annealing on the onset potential have been rarely studied. Herein, both X-ray photoelectron spectroscopy (XPS) measurements and theoretical calculations indicated that the increase of surface Ti/Fe atomic ratio after high temperature annealing decreased the adsorption capacity of hydroxide ions on the hematite surface. Subsequently, the flatband potential (i.e., the theoretical onset potential) of Ti doped hematite photoanodes positively shifted, which was supported by the Mott-Schottky measurements.
  • Zili Wu, David R. Mullins, Lawrence F. Allard, Qianfan Zhang, Laisheng Wang
    中国化学快报. 2018, 29(06): 795-799. https://doi.org/10.1016/j.cclet.2018.01.038
    摘要 ( ) PDF全文 ( ) HTML 可视化 收藏
    Gold (Au) nanoclusters have recently emerged as ideal models for understanding Au catalysis, because the nanosized Au particles have precise atomic numbers and uniform size. In this work, we studied for the first time the support shape effect on the catalysis of Au nanoclusters by using CO oxidation as a model reaction. Au22(L8)6 (L=1,8-bis(diphenylphosphino) octane) nanoclusters were supported on CeO2 rods or cubes, then pretreated at different temperatures (up to 673 K), allowing the gradual removal of the organic phosphine ligands. CO oxidation test over these differently pretreated samples shows that CeO2 rods are much better supports than cubes for Au22 nanoclusters in enhancing the reaction rate. In situ IR spectroscopy coupled with CO adsorption indicates that the shape of CeO2 support can impact the nature and quantity of exposed Au sites, as well as the efficiency of organic ligand removal. Although CeO2 rods are helpful in exposing a greater percentage of total Au sites upon ligands removal, the percentage of active Au sites (denoted by Auδ+, 0 < δ < 1) is lower than that on CeO2 cubes. The in situ extended X-ray absorption spectroscopy (EXAFS) and high-angle annular dark-field scanning transmission electron microscopy (HAADF-STEM) results show that the Au nanoclusters bound more strongly to the CeO2 rods than to the cubes where the Au nanoclusters show more sintering. Considering the typical redox mechanism for CO oxidation over supported Au nanoclusters and nanoparticles, it is concluded that the reactivity of the lattice oxygen of CeO2 is the determining factor for CO oxidation over Au22/CeO2. CeO2 rods offer more reactive lattice oxygen and abundant oxygen vacancies than the cubes and thus make the rods a superior support for Au nanoclusters in catalyzing low temperature CO oxidation.
  • Hee Jung Yoon, Seog K. Kim, Weixin Huang, Youngku Sohn
    中国化学快报. 2018, 29(06): 800-804. https://doi.org/10.1016/j.cclet.2018.01.021
    摘要 ( ) PDF全文 ( ) HTML 可视化 收藏
    Carbon-and Rh-loaded strontium titanate (SrTiO3) nanoparticles (NPs) were synthesized respectively by the wet impregnation method and the aerobic and anaerobic ethanol oxidation methods, and characterized by scanning electron microscopy, high resolution transmission electron microscopy, X-ray diffraction crystallography, UV-vis absorption, Raman spectroscopy, and X-ray photoelectron spectroscopy. Carbon was shown to be uniformly coated on SrTiO3 NPs by the aerobic and anaerobic ethanol oxidation methods Electrocatalytic activities of unmodified and modified SrTiO3 NPs were tested for water splitting and CO2 reduction. The aerobic C-coated and Rh-loaded SrTiO3 catalysts showed comparable activity that was increased by >10-fold of that of unmodified SrTiO3 catalyst. These results demonstrate that both metallic and nonmetallic surface modifications can highly improve the electrocatalytic activity of SrTiO3 NPs and point to highlight a more important role of the modifier in the electrocatalytic reactions than of the SrTiO3 structure.
  • Mengxia Ji, Zhiyong Zhang, Jiexiang Xia, Jun Di, Yiling Liu, Rong Chen, Sheng Yin, Sen Zhang, Huaming Li
    中国化学快报. 2018, 29(06): 805-810. https://doi.org/10.1016/j.cclet.2018.05.002
    摘要 ( ) PDF全文 ( ) HTML 可视化 收藏
    Novel carbon quantum dots (CQDs)/BiOBr composite photocatalysts have been constructed through a facile hydrothermal synthesis in the presence of ionic liquid 1-hexadecyl-3-methylimidazolium bromide ([C16mim]Br). Series of characterizations have been performed to confirm the uniform distribution of CQDs in BiOBr nanosheets and the synergistic effect for photocatalytic degradation organic pollutants between CQDs and BiOBr. The results show that 3.1 wt% CQDs/BiOBr photocatalyst possesses the best photocatalytic activity for the degradation of colorless antibiotic tetracycline (TC), endocrine disrupter bisphenol A (BPA) and dye rhodamine B (RhB), under visible light irradiation, which exhibited the highest photocatalytic performance. The enhanced photocatalytic performance for CQDs/BiOBr composites could be attributed to the wider optical absorption range and fast separation of photogenerated charge carriers after the introduction of CQDs. The key roles of CQDs for the enhanced photocatalytic activity of BiOBr have been discussed. A possible mechanism of CQDs/BiOBr on the enhancement of visible light performance was proposed.
  • Xiaohu Cao, Xiangyu Zang, Xichen Zhou, Mindong Chen, Yong Ding
    中国化学快报. 2018, 29(06): 811-814. https://doi.org/10.1016/j.cclet.2017.12.010
    摘要 ( ) PDF全文 ( ) HTML 可视化 收藏
    Photoelectrocatalytic water splitting is an effective way to utilize the solar energy to solve the energy shortage. The valence band edge of WO3 located at ~3 V vs. normal hydrogen electrode (NHE), which can offer enough potential to kinetically oxidize water for oxygen evolution reaction. However, water oxidation reaction kinetics is sluggish when only WO3 is used as the photoanode. It is highly desirable to use cocatalyst to promote the kinetics. MnOx loaded on the WO3 photoanode through photodeposition methods improves the photoelectrochemical water oxidation performance. A maximum photocurrent density of composite photoanode is achieved with a deposition time of 3 min, which is higher than that of pristine WO3 photoanode around 40%. MnO2 is not only a cocatalyst for water splitting but also for improving oxidation selectivity. We tried to use two means to load MnOx on WO3 photoanode material. It is observed that loading a moderate amount of MnOx on the WO3 by photodeposition can promote the performance of the WO3 photoanode.
  • Zhongzhe Wei, Yi Li, Jing Wang, Haoran Li, Yong Wang
    中国化学快报. 2018, 29(06): 815-818. https://doi.org/10.1016/j.cclet.2018.01.020
    摘要 ( ) PDF全文 ( ) HTML 可视化 收藏
    Cyclohexanol is an important intermediate in the synthesis of Nylon-6 and plasticizers. In this work, cobalt oxide nanoparticles (NPs) supported on porous carbon (CoOx@CN) were fabricated by one-pot method and the hybrids could efficiently and selectively hydrogenate phenol to cyclohexanol with a high yield of 98%. The high catalytic performance of CoOx@CN was associate with the high surface area (340 m2/g) and uniformly dispersed NPs. Furthurmore, by detailed analysing the relationship between catalytic activity and catalysts composition, it clearly indicated that the Co3O4 in CoOx@CN played an important role for the adsorption and activation of phenol and the in situ gernerated Co was responsible for hydrogen adsorption and dissociation. These findings provide a fundamental insight into the real active sites in hydrogenation of phenol using Co-based catalysts.
  • 评论
  • Zongsu Han, Wei Shi, Peng Cheng
    中国化学快报. 2018, 29(06): 819-822. https://doi.org/10.1016/j.cclet.2017.09.050
    摘要 ( ) PDF全文 ( ) HTML 可视化 收藏
    In recent years, metal-organic frameworks (MOFs) have attracted great attention owing to their potential applications such as in gas storage and separation, catalysis, luminescence and nonlinear optics. Chirality is widespread in the nature and chiral MOFs can be used in chiral recognition, chiral separation, chiral catalysis and so on. In this review, the synthetic strategies of chiral MOFs are briefly summarized. The advantages and disadvantages of those strategies and their applications are discussed.
  • Kai Chen, Chuande Wu
    中国化学快报. 2018, 29(06): 823-826. https://doi.org/10.1016/j.cclet.2017.09.040
    摘要 ( ) PDF全文 ( ) HTML 可视化 收藏
    Incorporation of luminescent moieties into metal-organic frameworks (MOFs) has resulted in numerous photoluminescence (PL) sensors based on chromophore-analyte interactions. However, most of them are only highly sensitive to few analytes limited by the single luminescent centers in MOFs. To improve the application scopes, dual-emission MOFs were therefore emerged, which can significantly improve the sensitivity by monitoring the relative emission intensity of two luminescent centers. This short review will highlight the recent progress on dual-emission MOFs as highly sensitive sensors for probing of volatile organic molecules (VOMs), picric acid and peroxynitrite, and as self-calibration PL thermometer.
  • Dingxuan Ma, Baiyan Li, Zhan Shi
    中国化学快报. 2018, 29(06): 827-830. https://doi.org/10.1016/j.cclet.2017.09.028
    摘要 ( ) PDF全文 ( ) HTML 可视化 收藏
    Metal-organic frameworks (MOFs) are a unique class of porous crystalline materials that have shown promise for a wide range of applications. MOFs have been explored as a new type of heterogeneous catalytic materials, because of their high surface area, uniform and tunable pores, facile functionalization and incorporation of catalytic active sites. The use of multi-functional sites MOF materials as catalysts for synergistic catalysis and tandem reactions has attracted increasing attention. In this review, we aim to introduce the construction of bi-or multi-functional MOF catalysts with cooperative or cascade functions via post-synthetic modification (PSM).
  • 综述
  • Dandan Sun, Miao Wang, Danyang Ji, Jin Qiao, Tong He, Xin Liu, Qingxiang Guan
    中国化学快报. 2018, 29(06): 831-833. https://doi.org/10.1016/j.cclet.2018.02.013
    摘要 ( ) PDF全文 ( ) HTML 可视化 收藏
    Recently, much special attention has been focused on the development of amphiphilic copolymers. Herein, a reduction-sensitive stearic acid grafted-Bletilla striata polysaccharide copolymer (BSP-ss-SA) was synthesized and characterized. BSP-ss-SA copolymer could spontaneously form micelles with an average particle size of (106±4.36) nm. Particle sizes were dramatically larger under 10 mmol/L dithiothreitol (DTT) than that in absence of 10 mmol/L DTT. Docetaxel loading content and encapsulation efficiency of micelles were 5.94 wt% and 72.75 wt%, respectively. The docetaxel release rate in vitro in micelles could be remarkably accelerated in pH 7.4 phosphate buffer solution (PBS) containing 10 mmol/L DTT compared with that of micelles (0 mmol/L DTT). Furthermore, MTT results demonstrated the anticancer activities in vitro of docetaxel-loaded BSP-ss-SA micelles on HepG2 were superior to that of docetaxel injection. BSP-ss-SA copolymer might be a promising nanocarrier for cancer chemotherapy drugs.
  • Huanan Yu, Huicong Xia, Jianan Zhang, Jing He, Shiyu Guo, Qun Xu
    中国化学快报. 2018, 29(06): 834-836. https://doi.org/10.1016/j.cclet.2018.04.008
    摘要 ( ) PDF全文 ( ) HTML 可视化 收藏
    The synergy effect between different components has attracted widespread attentions because of improved activity, selectivity and stability than single component. In this paper, we fabricated mesoporous hybrid dual-metal Co and Fe containing metallic organic framework (Co/Fe-MOF), Fe-MOF, and Co-MOF in the ionic liquid (IL)/supercritical CO2 (SC)/surfactant emulsion system, and then studied the electrochemical properties of the three MOFs systematically. Experiment results indicate that, by taking advantages of coexistence of double metal, hybrid bi-metal Co/Fe-MOF exhibits the highest specific capacitance and the best cycling stability, with specific capacitance to 319.5 F/g at 1 A/g,1.4 and 4 times for single Co-MOF and Fe-MOF, respectively.
  • Jie Li, Yecheng Wang, Yan Yu, Qiaowei Li
    中国化学快报. 2018, 29(06): 837-841. https://doi.org/10.1016/j.cclet.2017.12.026
    摘要 ( ) PDF全文 ( ) HTML 可视化 收藏
    Multivariate metal-organic frameworks (MTV-MOFs) with different ratios of terephthalate (BDC) linker and amino-benzenedicarboxylate (BDC-NH2) linker were synthesized through both direct synthesis from linker mixture and linker exchange of activated single-linker MOFs. Functionality proportion was impacted by the thermodynamics during the one-pot MOF construction, resulting in preference of BDC over BDC-NH2 in the MTV-MOF, in agreement with the quantum mechanics calculations. The functionality difference also affects the thermodynamics in the linker exchange process, as indicated by the more effective linker exchange in BDC-NH2-based IRMOF-3 than in BDC-based MOF-5. Furthermore, the thermal decomposition temperatures and chemical integrity upon ambient air exposure of these MOFs with variate functionalities were investigated, and it reveals that higher proportion of BDC in the MTV-MOF crystals contribute to both higher thermal and higher chemical stabilities.
  • Haoying Yang, Wenhong Cui, Yuzhen Han, Bo Wang
    中国化学快报. 2018, 29(06): 842-844. https://doi.org/10.1016/j.cclet.2017.09.024
    摘要 ( ) PDF全文 ( ) HTML 可视化 收藏
    A highly stable Zn, Ni-bimetallic porous nanocomposite was synthesized via a one-step pyrolysis of a metal-organic framework as an efficient anode material for Lithium-ion batteries. Remarkably the obtained composite shows 1105.2 mAh/g at a current density of 5000 mA/g after 400 cycles which makes it a promising candidate to improve the volumetric energy density.
  • Dandan Huang, Xueqian Wu, Junwu Tian, Xiaokun Wang, Zhihang Zhou, Dongsheng Li
    中国化学快报. 2018, 29(06): 845-848. https://doi.org/10.1016/j.cclet.2017.09.043
    摘要 ( ) PDF全文 ( ) HTML 可视化 收藏
    A silver-based metal-organic framework (Ag-MOFs),[Ag2(H3ddcba)(dpp)2] (1) (H5ddcba=3,5-(di(2',5'-dicarboxylphenyl)benozoic acid, dpp=1,3-di(4-pyridyl)propane), was successfully constructed via hydrothermal assembly of a pentacaboxylate ligand, a N-donor ligand and Ag(I) ions, which possesses a pcu topology and exhibits excellent catalytic properties in aqueous solution for the degradation of o-nitrophenol (2-NP), m-nitrophenol (3-NP) and p-nitrophenol (4-NP). Related kinetics of such catalytic reactions, photoluminescent and thermal stability of compound 1 were also investigated.
  • Ying Wang, Liangjun Li, Liting Yan, Lei Cao, Pengcheng Dai, Xin Gu, Xuebo Zhao
    中国化学快报. 2018, 29(06): 849-853. https://doi.org/10.1016/j.cclet.2017.09.057
    摘要 ( ) PDF全文 ( ) HTML 可视化 收藏
    Zirconium metal-organic frameworks (Zr-MOFs) represent the most promising candidates among MOFs for industrial utilizations owing to their high porosity and excellent stability. However, the efficient synthesis of Zr-MOFs combining with continuous production, high productivity and good product quality still remains a critical issue for practical applications. Herein, we report an efficient method of synthesizing a series of Zr-MOFs through a microdroplet flow reaction, which is more accommodate the requirements of industrial production. Four types of Zr-based MOFs with different ligands and topologies (MOF-801, MOF-804, DUT-67 and MOF-808) were produced as a pure phase of high quality crystalline with uniform morphologies. Furthermore, this series of Zr-MOFs were obtained in a continuous way and at a space-time yield (STY) highly up to 367.2 kg m-3 d-1. These MOFs exhibit the similar pore structure and thermal stability with that prepared from conventional solvothermal synthesis. CO2 sorption studies on these MOFs demonstrate that the hydroxyl groups on ligand can render MOFs with high CO2/N2 selectivity.
  • Qianqian Li, Jingui Duan, Wanqin Jin
    中国化学快报. 2018, 29(06): 854-856. https://doi.org/10.1016/j.cclet.2017.11.008
    摘要 ( ) PDF全文 ( ) HTML 可视化 收藏
    Mixed matrix membrane used to selective removal of CO2 was considered as an efficient solution to energy and environmental sustainability. In this study, a MMM that consists of amide functionalized porous coordination polymer filler (MIL-53-NH2) was successfully prepared, which sharply promotes the CO2/N2 selectivity from 44 (neat polymeric membrane) to 75. Remarkably, the positive effect of amide group and nanochannel of MIL-53-NH2 filler was illustrated by decreased selectivity of the MMM with formic acid modified MIL-53-NH2 filler (MIL-53-NHCOH).
  • Weiwei He, Na Li, Xi Wang, Tongliang Hu, Xianhe Bu
    中国化学快报. 2018, 29(06): 857-860. https://doi.org/10.1016/j.cclet.2017.10.003
    摘要 ( ) PDF全文 ( ) HTML 可视化 收藏
    Until now, to remove the harmful organic dyes from effluents is an outstanding challenge. The design and synthesis of new porous materials capable of selectively adsorbing dyes are critical to the environment and human health. Here, a unique cluster-based cationic metal-organic framework, named {[Zn8(BTA)6(L)5Cl2] ·(NO3)3}·5DMF (NUM-4) was synthesized, which displays one-dimensional (1D) open channels along a axis in its 3D supramolecular stacking structure. Benefiting from the nature of cationic framework and high surface area/pore volume, NUM-4 shows rapid and selective adsorption of anionic dyes (MO, AO, CR and MB) based on the charge-exclusive effect. Besides, the adsorbed dyes can be easily released in NH4Cl saturated solution of ethanol.
  • Tifeng Xia, Jintong Wang, Ke Jiang, Yuanjing Cui, Yu Yang, Guodong Qian
    中国化学快报. 2018, 29(06): 861-864. https://doi.org/10.1016/j.cclet.2017.10.038
    摘要 ( ) PDF全文 ( ) HTML 可视化 收藏
    A series of Eu/Gd-mixed metal-organic frameworks EuxGd1-xNDC (x=0.0005, 0.001, 0.003, 0.01; H2NDC=1,4-naphthalene dicarboxylic acid) utilizing back energy transfer have been developed for physiological temperature sensing. The suitable high triplet level of H2NDC allows an efficient back energy transfer from Eu3+ ions to ligands. The back energy transfer efficiency is further enhanced by the Eu3+/Gd3+-mixed strategy. As a consequence, the emission of Eu3+ dramatically weakens when temperature arises. The resultant Eu0.0005Gd0.9995NDC exhibits exceptional stability and good biocompatibility, and can detect physiological temperature in single-emission, dual-emission, and colorimetric models with ultra-high sensitivity.
  • Weidong Fan, Yutong Wang, Zhenyu Xiao, Zhaodi Huang, Fangna Dai, Rongming Wang, Daofeng Sun
    中国化学快报. 2018, 29(06): 865-868. https://doi.org/10.1016/j.cclet.2017.11.020
    摘要 ( ) PDF全文 ( ) HTML 可视化 收藏
    A Co-based two-dimensional (2D) microporous metal-organic frameworks,[Co2(TMTA)(DMF)2(H2O)2] NO3- DMF (UPC-32) has been synthesized based on 4,4',4"-(2,4,6-trimethylbenzene-1,3,5-triyl) tribenzoic acid (H3TMTA). UPC-32 features a 2D microporous framework exhibits high adsorption of H2 (118.2 cm3/g, 1.05 wt%, at 77 K), and adsorption heat (Qst) of CO2 (34-46 kJ/mol). UPC-32 with narrow distance between layers (3.8 Å) exhibits high selectivity of C3H6/CH4 (31.46) and C3H8/CH4 (28.04) at 298 K and 1 bar. It is the first 2D Co-MOF that showed selective separation of C3 hydrocarbon from CH4.
  • Youdong Cheng, Sai Kishore Ravi, Yuxiang Wang, Jifang Tao, Yuandong Gu, Swee Ching Tan, Dan Zhao
    中国化学快报. 2018, 29(06): 869-872. https://doi.org/10.1016/j.cclet.2017.09.002
    摘要 ( ) PDF全文 ( ) HTML 可视化 收藏
    Two-dimensional (2D) materials have attracted increasing attentions recently due to their unique physical and chemical properties. We herein report the synthesis of four chemically stable 2D covalent organic nanosheets (CONs) with large lateral sizes (up to 200 mm) and high aspect ratios (>20 000) at the air-water interface through the Langmuir-Blodgett method. These CONs exhibit good crystallinity proved by high resolution transmission electron microscopy (HRTEM) and selected area electron diffraction (SAED). In addition, the hydrophobicity of these CONs can be systematically adjusted by the introduction of various functional groups, making them suitable as functional coating and membrane materials.
  • 评论
  • Sheng Zhang, Yanan Li, Youguo Xu, Zhiyong Wang
    中国化学快报. 2018, 29(06): 873-883. https://doi.org/10.1016/j.cclet.2017.10.001
    摘要 ( ) PDF全文 ( ) HTML 可视化 收藏
    Henry reaction is one of the most classical reactions to construct synthetically useful product nitro alcohol, which as a privileged skeleton is widely distributed in various pharmaceuticals. This review summarizes the recent progress of copper-catalyzed asymmetric Henry reaction from 2011 to 2016. The significant progress that has been made in this area will be highlighted and some of challenges that the author believes may be hindering further progress will be revealed.
  • 综述
  • Shiyong Zhao, Bolian Xu, Lei Yu, Yining Fan
    中国化学快报. 2018, 29(06): 884-886. https://doi.org/10.1016/j.cclet.2017.11.016
    摘要 ( ) PDF全文 ( ) HTML 可视化 收藏
    A novel honeycomb-shaped PtSnNa/γ-Al2O3/cordierite monolithic catalyst (Pt 0.5%, Sn 0.9%, Na 1.0%, relative to Al2O3 weight) was developed and its catalytic performances in propane dehydrogenation were tested and compared with the classical granule catalyst with same Pt, Sn and Na contents under the conditions of 0.1 MPa, 590℃, C3H8/H2 at 3/1 (molar ratio) and gas hourly space velocity (GHSV) at 155 h-1. Interestingly, despite the generated coke amount and exposed Pt fraction, the honey combshaped structure of monolithic catalyst exerted important influences on its catalytic activities and led to the advanced catalytic performances over the granule catalyst.
  • Yimin Dai, Lanli Niu, Jiaqi Zou, Tianxiao Chen, Hui Liu, Yi Zhou
    中国化学快报. 2018, 29(06): 887-891. https://doi.org/10.1016/j.cclet.2017.11.029
    摘要 ( ) PDF全文 ( ) HTML 可视化 收藏
    A novel magnetic nanoparticles-based dithiocarbamate absorbent (Fe3O4@SiO2-DTC) with core-shell structure was synthesized under mild conditions and used in aqueous solution Ni2+ and Cu2+ ions treatment. The structure, morphology and magnetic properties of the adsorbent were characterized by Xray diffraction (XRD), fourier transformed infrared spectroscopy (FTIR), scanning electron microscopy (SEM), transmission electron microscopy (TEM), and vibrating sample magnetometer (VSM). Fe3O4@SiO2-DTC exhibited a typical superparamagnetic with a saturation magnetization value of 52.7 emu/g, which could be rapidly separated from aqueous solution under external magnetic field. We investigated the effects of solution pH, adsorption time, and the initial concentration of heavy metal ions on the adsorption of Ni2+ and Cu2+. The adsorption equilibrium times of Ni2+ and Cu2+ on Fe3O4@SiO2-DTC were reached at 15 min and 90 min, respectively. The adsorption kinetic data were fitted to the pseudosecond-order model, and the adsorption data were consistent with the Frenudlich isotherm model. When the initial concentration of heavy metal ions was 250 mg/L, the maximum adsorption capacity of Ni2+ and Cu2+ at room temperature was 235.23 mg/g and 230.49 mg/g, respectively. In addition, we discussed the plausible adsorption mechanism. The results indicated that the adsorption was mainly dominated by chelation.
  • Yaping Feng, Liping Ding, Danyan Ji, Lili Wang, Wei Guo
    中国化学快报. 2018, 29(06): 892-894. https://doi.org/10.1016/j.cclet.2018.01.053
    摘要 ( ) PDF全文 ( ) HTML 可视化 收藏
    Two-dimensional (2D) nanofluidic systems provide a highly efficient way to integrate a huge amount of cascading lamellar nanofluidic channels into macroscopic membrane materials for practical use in, for example, molecular separation, water treatment, and energy storage. Besides the well-studied graphenebased materials, other 2D nanomaterials, such as the transition metal dichalcogenides (TMDCs), are expected as promising alternatives. Here, we report strong ionic current rectification (ICR) effect found in MoS2/WSe2 bi-layered membrane structure. The preferential direction for ion transport is from the WSe2 layers to the MoS2 layers. The maximum ICR ratio approaches 35 at intermediate electrolyte concentration. More intriguingly, by exchanging the deposition order of the MoS2 and WSe2 layers, the observed ICR effect can be reversed. These evidences justify that the highly rectified ion transport phenomenon results from the asymmetry in the reconstructed 2D layered materials. This work is the first discovery of ICR effect in 2D nanofluidic heterostructures, and provides further opportunities for innovative nanofluidic devices and materials.
  • Yue Yang, Xiangling Ren, Zhenning Sun, Changhui Fu, Tianlong Liu, Xianwei Meng, Zili Wang
    中国化学快报. 2018, 29(06): 895-898. https://doi.org/10.1016/j.cclet.2018.04.018
    摘要 ( ) PDF全文 ( ) HTML 可视化 收藏
    Because of the advantages of excellent light stability, carbon dots (CDs) are considered to be a promising agent in the bio-marker application. Nevertheless, there are many unresolved issues with the toxicity of CDs in vitro and in vivo. In the study, CDs were synthesized by citric acid and ethylenediamine into deionized water, then the inhalation toxicity and bio-distribution of CDs in vivo were systematically assessed. The results showed that CDs caused animals death at higher dosages and induced injury in the lung and liver including inflammation and necrosis after single inhalation exposure at 5, 2 and 1 mg/kg dosages of the CDs. We also found that the injury increase with a dose-dependent and time-dependent manner. Fluorescent examination and TEM results showed that CDs mainly located at the lung and liver. And the fluorescent intensity increase with a time-dependent manner. This study provides a theoretical basis of the respiratory toxicity of CDs, and provides a basis for the use of CDs as a bio-marker.
  • Guo-Qing Song, Wei-Min Wang, Zai-Shun Li, Ying Wang, Jian-Guo Wang
    中国化学快报. 2018, 29(06): 899-902. https://doi.org/10.1016/j.cclet.2017.09.035
    摘要 ( ) PDF全文 ( ) HTML 可视化 收藏
    New Delhi metallo-β-lactmase-1 (NDM-1) catalyzes the hydrolysis of b-lactam antibiotics and cleaves the b-lactam ring of the molecule, conferring bacterial resistance against these medicines. In an effort to discover novel agents to treat this superbug, an old drug methisazone was found to be a weak NDM-1 inhibitor, with an IC50 of 297.6 μmol/L. Based on this result, a series of isatin-β-thiosemicarbazones (IBTs) were synthesized and biologically evaluated as novel NDM-1 inhibitors. Nine of the IBT compounds showed IC50 values of <10 μmol/L, the best of which was 2.72 μmol/L. Comparative field analysis (CoMFA) contour maps were generated to depict the structural features and molecular docking was performed to understand the possible binding mode of these inhibitors. The present research hereby has provided valuable information for further discovery of NDM-1 inhibitors.
  • Yanqin Ge, Pinhui Diao, Chen Xu, Nannan Zhang, Cheng Guo
    中国化学快报. 2018, 29(06): 903-906. https://doi.org/10.1016/j.cclet.2018.01.002
    摘要 ( ) PDF全文 ( ) HTML 可视化 收藏
    A simple, mild and green approach has been developed for the synthesis of asymmetrical heterobiaryls under the irradiation of visible light without any oxidants and promoting reagents through using Pd/CeO2 nanocomposite photocatalyst. This method can tolerate considerable functional groups such as electrondonating groups and electron-withdrawing groups through C—C cross-coupling. Moreover, we obtain the products with moderate yields in an efficient way. Finally, a plausible mechanism is proposed.
  • Lianhui Wang, Dan Xiong, Lianghua Jie, Chudan Yu, Xiuling Cui
    中国化学快报. 2018, 29(06): 907-910. https://doi.org/10.1016/j.cclet.2018.05.007
    摘要 ( ) PDF全文 ( ) HTML 可视化 收藏
    We herein report a highly regioselective rhodium-catalyzed C6-and C7—H bond functionalization of indolines with alkynes by using 2-pyrimidine as a directing group. Moreover, NH-free benzo[g]indole unit could be obtained by an oxidation/removal of the directing group sequence.
  • Wei Li, Jiuhui Li, Hongfeng Shen, Jiagao Cheng, Zhong Li, Xiaoyong Xu
    中国化学快报. 2018, 29(06): 911-914. https://doi.org/10.1016/j.cclet.2017.10.011
    摘要 ( ) PDF全文 ( ) HTML 可视化 收藏
    A series of chromone derivatives containing substituted pyrazole were designed and synthesized. Preliminary bioassays showed that most of the synthesized compounds exhibited good nematicidal activity in vivo against Meloidogyne incognita at 10 mg/L. Among the tested compounds, A10 and A11 exhibited 100% inhibition rates. In addition, the molecular docking results indicated that both compound A10 and A11 interacts with amino acid residue Tyr121, Trp279, Tyr70, Trp84 and Phe330 of AChE via hydrogen bond and π-π stacking. This investigation suggested that the chromone containing substituted pyrazole scaffold could be further optimized to explore novel, high-bioactivity nematicidal leads.
  • Fuqiang Yu, Aiying Guan, Mengru Li, Lan Hu, Xiaowu Li
    中国化学快报. 2018, 29(06): 915-918. https://doi.org/10.1016/j.cclet.2018.01.050
    摘要 ( ) PDF全文 ( ) HTML 可视化 收藏
    Employing the intermediate derivatization method (IDM), twenty novel 1,3,4-oxadiazole derivatives containing arylpyrazoloxyl moiety were designed and synthesized. The structures of the title compounds were identified by 1H NMR, 13C NMR, MS and elemental analyses, compound 4 was further identified by single-crystal X-ray diffraction. Antifungal activities against rice sheath blight (RSB) and sorghum anthracnose (SA) were evaluated by the mycelium linear growth rate method. Compounds 4, 16 and 20 displayed significant activities against RSB (EC50=0.88 mg/L, 0.91 mg/L and 0.85 mg/L, respectively), higher than the reference tebuconazole; While compound 3 exhibited higher activity against SA (EC50=1.03 mg/L), equal to commercial pyraclostrobin (EC50=1.06 mg/L). The study showed that compound 20 is a promising fungicide for further development.
  • Jun Ruan, Wenbo Zhang, Hang Zhang, Yun Chen, Fawad Ur Rehman, Hui Jiang, Steffen Strehle, Alberto Pasquarelli, Xuemei Wang
    中国化学快报. 2018, 29(06): 919-921. https://doi.org/10.1016/j.cclet.2017.10.037
    摘要 ( ) PDF全文 ( ) HTML 可视化 收藏
    We designed boron-doped nanocrystalline diamond microelectrode arrays (BNCD-MEAs) with 16 channels for the bioanalysis of multicellular samples, which could be readily adapted for a highly sensitive detection of H2O2 released from stimulated cells by ascorbic acid (AA). Our observations demonstrated that the as-prepared diamond microelectrode arrays could be utilized to distinguish cancer cells from normal cells, and the amperometric study showed the considerable differences in the currents, indicating that the related HepG2 cancer cells could release more H2O2 than that of L02 normal cells. This supports the possibility to use diamond-based MEAs for rapid cancer cell detection in future clinic applications.
  • Dan Yan, Lili Qiu, Yanfeng Wang, Zihui Meng, Min Xue, Fenglian Qi
    中国化学快报. 2018, 29(06): 922-926. https://doi.org/10.1016/j.cclet.2017.09.066
    摘要 ( ) PDF全文 ( ) HTML 可视化 收藏
    Photonic crystal (PhC) presents unique optical properties and functionality, and are used widely as detectors, modulators, plasmonics and light generating devices. However, the low electrical conductivity and mechanical strength limit its applications. We introduced here a layer-by-layer composite membrane based on reduced graphene oxide (RGO) and two-dimensional (2D) colloidal crystal array (CCA). The 2D CCA was fabricated by an air/water interface deposition technique using polystyrene (PS) and polymethyl methacrylate (PMMA) colloidal particles. The composite membrane were characterized by SEM, Debye diffraction, reflectance spectra and electrical resistance measurement. The results indicated that layer-by-layer composite membrane have highly periodicity, and the monolayer of RGO and 2D CCA combined tightly. The Debye diffraction rings of the layer-by-layer heterostructure composite are the superimposition of the individual monolayers of 2D CCA. The reflection spectrum of the layer-by-layer heterostructure composite membrane showed that two peaks of reflection curve located in near ultraviolet region and visible region respectively, and the RGO sheet have no influence on the peak position and shape of reflection curve of the PhC. The RGO improved the electrical conductivity of the layer-by-layer heterostructure composite. The layer-by-layer heterostructure composite showed promising potential for the applications as sensors and optoelectronic devices.
  • Yuanfeng Gao, Chang-Ming Dong
    中国化学快报. 2018, 29(06): 927-930. https://doi.org/10.1016/j.cclet.2017.09.042
    摘要 ( ) PDF全文 ( ) HTML 可视化 收藏
    A series of random copolypeptides of poly(methoxy-diethylene glycol-L-glutamate)-co-poly(S-(o-nitrobenzyl)-L-cysteine)was synthesized by ring-open copolymerization of methoxydiethylene glycol-Lglutamate-N-carboxyanhydride (EG2-Glu-NCA) and S-(o-nitrobenzyl)-L-cysteine-N-carboxyanhydride (NBC-NCA) in dried dimethylformamide solution, which presents quadruple thermo-photo-redox responsive self-assembly behavior and forms the related nanogel and hydrogel in water.
  • Weikang Wang, Yihu Wu, Zhiwen Jiang, Mozhen Wang, Qichao Wu, Xiao Zhou, Xuewu Ge
    中国化学快报. 2018, 29(06): 931-934. https://doi.org/10.1016/j.cclet.2017.11.003
    摘要 ( ) PDF全文 ( ) HTML 可视化 收藏
    The research on the properties of graphene oxide (GO) in various media has become one of the hottest topics since GO is now the main raw material for graphene-based advanced materials. In this work, the γ-ray radiation chemistry effect of GO nanosheets and their self-aggregation behavior in t-butanol/water medium were investigated. The results show that GO nanosheets are reduced and hydroxyalkylated simultaneously by the alcohol free radicals produced by the radiolysis of t-butanol/water solution under γ-ray radiation. The radiation-modified GO nanosheets will self-assemble into a self-standing graphene hydrogel when the pH of the solution is lower than 2. A hydroxyl-functionalized free-standing graphene aerogel is further obtained simply by freeze-drying. This work provides not only a general self-assembly mechanism of GO nanosheets in strong acidic alcohol/water media under high energy radiation, but also a facile and economical preparation method for hydroxyalkylated graphene-based aerogel.
  • Min Tang, Yuanhang Ren, Yichen Hu, Lin Ye, Bin Yue, Heyong He
    中国化学快报. 2018, 29(06): 935-938. https://doi.org/10.1016/j.cclet.2017.12.011
    摘要 ( ) PDF全文 ( ) HTML 可视化 收藏
    MgO nanosheets with exposed (111) facets were obtained through the preparation of Mg(OH)2 precursor by a hydrothermal method in the presence of oleylamine and subsequent calcination in air. The different preferred orientational assemblies of MgO nanosheets, achieved by adjusting the polarity of dispersing solvents (ethanol and cyclohexane) during the sample preparation, show different structural and spectral features.
  • Xingye Li, Jiayu Nan, Tian Lu, Hongyu Huo, Yanqiang Zhang, Haibo Li, Fude Nie, Hongquan Yin, Fu-Xue Chen
    中国化学快报. 2018, 29(06): 939-941. https://doi.org/10.1016/j.cclet.2017.09.036
    摘要 ( ) PDF全文 ( ) HTML 可视化 收藏
    Two hydrophobic imidazolylidene-cyanoborane complexes were prepared by the introduction of {BH2CN} into the molecular formula via treatment of imidazolium iodide and NaBH3CN avoiding literature's tedious and hazardous procedures. These two complexes were fully characterized using IR spectroscopy, 1H NMR and 13C NMR spectroscopy and high-resolution mass spectrometer. The X-Ray structure of NHC-1 has been determined. NHC-2 was proved to be hypergolic with WFNA and displayed the attractive properties such as water immiscibility, wide liquid range (Tg= -22 ℃), short ignition delay time (13 ms), high density (0.98 g/cm3), good density impulse (ρIsp, 347 s g cm3), showing the promising application potential as a fuel and an efficient fuel additive.
  • Shrikant S. Pendalwar, Avinash V. Chakrawar, Sudhakar R. Bhusare
    中国化学快报. 2018, 29(06): 942-944. https://doi.org/10.1016/j.cclet.2017.09.058
    摘要 ( ) PDF全文 ( ) HTML 可视化 收藏
    The proline based chiral organocatalyst has been found to be an efficient catalyst for the facile synthesis of substituted 2-aryl-2H-chromenes-3-carbaldehyde. We envisioned that the iminium interaction between chiral amino catalysts and α,β-unsaturated carbonyl group was beneficial along with thiourea group as hydrogen bond donor, heterocyclic amines as general base in the domino oxa-Michael-aldol reaction. This catalytic system provided the products in good to high yields (73%-96%) with excellent enantioselectivity (up to 97%) and reasonable reaction time. The atom economy, high yield and mild reaction conditions are some of the important features of this protocol.
  • Shaa Zhou, Xuewen Hua, Wei Wei, Minggui Chen, Yucheng Gu, Sha Zhou, Haibin Song, Zhengming Li
    中国化学快报. 2018, 29(06): 945-948. https://doi.org/10.1016/j.cclet.2017.09.046
    摘要 ( ) PDF全文 ( ) HTML 可视化 收藏
    Sulfonylurea (SU) has become one class of the most important herbicides worldwide due to their ultralow application rate and mammalian toxicity. Recently application licenses of 3 classical SU herbicides chlorsulfuron, metsulfuron-methyl and ethametsulfuron were suspended due to their undesirable long persistence which is incompatible with the particular rotation planting system in China. Our previous study has discovered that electron-donating groups, especially dimethylamino and diethylamino substituents, on the 5th position of the benzene ring in chlorsulfuron, greatly accelerated its degradation rate in an acidic soil (pH 5.41). Owing to the natural slower degradation of SUs in alkaline soil, dimethylamino and diethylamino substituted chlorsulfuron Ia and Ib were further studied in an alkaline soil (pH 8.46) with chlorsulfuron as a control. The experimental data indicated that the half-life of degradation (DT50) of Ia was 3.36 days while Ib was 6.25 days which amounted to 30 and 15 folds faster than chlorsulfuron (DT50 84.53 days), respectively. The research confirmed that our newly-designed structures Ia and Ib can hasten their degradation rate in alkaline soil as well as in acidic soil. This structural modification of the classical SU provided an opportunity to control the degradation rate to reduce their impact on relevant environment and ecology.
  • Jianguo Liu, Ailing Zhang, Heng Song, Qingxiao Tong, Chen-Ho Tung, Wenguang Wang
    中国化学快报. 2018, 29(06): 949-953. https://doi.org/10.1016/j.cclet.2017.09.059
    摘要 ( ) PDF全文 ( ) HTML 可视化 收藏
    A new class of iron(Ⅱ) hydrides based on a tetradentate PSNP ligand were synthesized and fully characterized. All the iron(Ⅱ) complexes feature a folded PSNP ligand with cis reactive sites. The hydrido iron complex[2H(NCMe)](BF4) is capable of catalyzing aldehyde hydroboration by pinacolborane (HBpin) and with extremely high efficiency at room temperature. Aldehydes with various functional groups are compatible.
  • Cuicui Zhuang, Ling Li, Yang Liu, Chuncheng Ban, Xiaowei Liu
    中国化学快报. 2018, 29(06): 954-958. https://doi.org/10.1016/j.cclet.2017.09.039
    摘要 ( ) PDF全文 ( ) HTML 可视化 收藏
    Aligned silica nanowire arrays and silica microflowers were fabricated using boron as the catalyst and under the flow N2 gas. The obtained product had no catalyst contamination. And silica nanowires had long lengths of a few hundreds. The growth of nanowire arrays and microflowers was explained using mechanism. Parallel-plate capacitors using silica nanowire mat as the dielectric were fabricated. The silica nanowire capacitor shows a specific capacitance of 0.24 nF/cm2 at the frequency of 100 Hz. The capacitor is not monotone changing with the frequency. The measurement of mechanical properties shows that the tunneling current increases along with an increase in bending angle of the capacitor.
  • Yan-Jie Qi, Jin-Hua Liu, Wen-Xu Zheng, Xin-Xiong Li, Shou-Tian Zheng
    中国化学快报. 2018, 29(06): 959-962. https://doi.org/10.1016/j.cclet.2017.09.060
    摘要 ( ) PDF全文 ( ) HTML 可视化 收藏
    A rare porous zinc-organic framework with ultrahigh thermal stability over 500℃ was obtained, which exhibits a CaF2-type topology formed by 8-connected tetranuclear Zn4 clusters and 4-connected phosphonocarboxylate ligands. Interestingly, the similar reactions to the zinc-organic framework but in the absence of H2O or by the replacement of Zn2+ with Co2+ can yield three different 3D cluster-based frameworks but with the same CaF2-type topology.
  • Jian Xu, Zhijie Kuang, Qiuling Song
    中国化学快报. 2018, 29(06): 963-966. https://doi.org/10.1016/j.cclet.2017.10.027
    摘要 ( ) PDF全文 ( ) HTML 可视化 收藏
    An expedient and mild strategy for the synthesis of unconventional 2-(dimethylamino)-3,3-difluorochroman-4-one derivatives from o-hydroxyarylenaminones and Selectfluor was developed at room temperature under catalyst-free conditions. This method showed excellent chemoselectivity and great functional groups tolerance.
  • Xue Zhang, Ruoning Li, Na Li, Gaochen Gu, Yajie Zhang, Shimin Hou, Yongfeng Wang
    中国化学快报. 2018, 29(06): 967-969. https://doi.org/10.1016/j.cclet.2017.09.041
    摘要 ( ) PDF全文 ( ) HTML 可视化 收藏
    Fractals play an important role in mathematics, aesthetic, science, and engineering. The representative Sierpiński-triangle fractals have been successfully constructed by V-shape molecules in experiments. The molecular Sierpiński triangles formed by molecules with linear backbones have been theoretically predicted but not experimentally discovered. To achieve this goal in the experiment, we used[1,1';4',1";4",1'"]-quaterphenyl-3,4"-dicarbonitrile molecules as building blocks and employed cobalt atoms as cements, then successfully obtained metal-organic Sierpiński triangles with an order up to 2 on the Au(111) surface. There are twenty-four types of three-fold coordination nodes formed between the metal atom and organic ligands via coordinate interactions. The coexistence of various nodes is responsible for that the highest order of Sierpiński triangles is limited to 2.
  • Chao Xu, Lei Xu, Xiang Ma
    中国化学快报. 2018, 29(06): 970-972. https://doi.org/10.1016/j.cclet.2017.11.045
    摘要 ( ) PDF全文 ( ) HTML 可视化 收藏
    A linear main-chain supramolecular polymer was constructed in aqueous solution via γ-CD host recognition with coumarin unit as well as metal-ligand coordination between terpyridine unit and Zn2+. Therein, the multiple non-covalent interactions produce the ternary system as the primary assembly. Besides, the self-assembly behavior and morphological properties of this supramolecular polymer system were characterized by DLS and TEM experiments
  • Maogui Zhou, Shiya Qin, Zhenzhen Feng, Chunxia Song, Hua Zhang, Wenshan Li, Qing Wang, Jianbo Liu, Jin Huang, Xiaohai Yang, Kemin Wang
    中国化学快报. 2018, 29(06): 973-976. https://doi.org/10.1016/j.cclet.2017.10.010
    摘要 ( ) PDF全文 ( ) HTML 可视化 收藏
    Apurinic/apyrimidinic endonuclease 1 (APE1) plays an important role in protecting the fidelity of genetic material and is also a promising biomarker of cancers. Herein, a simple and sensitive fluorescent method for APE1 activity detection was designed based on host-guest interaction between β-cyclodextrin polymer (β-CDP) and pyrene. In this method, pyrene-labelled DNA probes (AP-S1S2) and β-CDP functioned as fluorescent signal producer and enhancer, respectively. When APE1 was absent, pyrene on the AP-S1S2 could not enter the cavity of β-CDP because of steric hindrance, leading to a weak fluorescence intensity/anisotropy. When APE1 was present, it would recognize and cleave AP site in APS1S2, thus producing a dissociated pyrene-labelled oligonucleotide segment. Pyrene labelled at the 5' end of oligonucleotide segment could be easily trapped into the cavity of β-CDP via host-guest interaction, leading to a significant enhancement of fluorescence intensity/anisotropy. This assay offered a dynamic range of 0.05 U/mL-5 U/mL and an estimated detection limit of 0.05 U/mL. Furthermore, assessment of APE1 activity in HeLa cell extracts was successfully implemented, which hold the potential for APE1-related cancer diagnosis and biological researches.
  • Haiyang Sun, Hui Li, Jiayi Wang, Gonghua Song
    中国化学快报. 2018, 29(06): 977-980. https://doi.org/10.1016/j.cclet.2017.10.015
    摘要 ( ) PDF全文 ( ) HTML 可视化 收藏
    Nematodes are serious constraints of crop production worldwide. However, the traditional nematicides suffer from the side-effects, including environmental and human toxicity. Herein, more than 70 novel piperazinedione derivatives based on the natural product Barettin were synthesized and evaluated against the root-knot nematode Meloidogyne incognita (M. incognita). While most of synthesized compounds exhibited certain nematicidal activity at high concentration, the best one showed a nematicidal activity of 75% at 2.4 μmol/L.
  • Han Zhang, Lin Sun, Yuan Zhang, Yan Kang, Huilian Hu, Jibran Iqbal, Yiping Du
    中国化学快报. 2018, 29(06): 981-984. https://doi.org/10.1016/j.cclet.2017.10.017
    摘要 ( ) PDF全文 ( ) HTML 可视化 收藏
    This paper reports accurate use of silanized support based substrate for surface-enhanced Raman spectroscopy (SERS) determination of illegal additives chrysoidin and malachite green. Detection of these illegal additives is very meaningful and the developed method meets this objective in a simple, rapid and cost effective way. Detection limits for chrysoidin and malachite green in aqueous solutions reached 0.001 mg/L and 0.0001 mg/L respectively. Linear relationship between the Raman intensities and chrysoidin concentrations in range of 0.001-0.05 mg/L was found with regression coefficient (R) of 0.994. To investigate the practical application performance of the method, the substrate was applied to detect chrysoidin in Sprite at 0.01 mg/L and malachite green in fish pond water at 0.0001 mg/L. The SERS method could be an alternative approach for monitoring illegal additives and toxic harmful substances.
  • Gaoxiaozheng Liu, Chao Wu, Bifeng Chen, Ru He, Chao Chen
    中国化学快报. 2018, 29(06): 985-988. https://doi.org/10.1016/j.cclet.2017.11.046
    摘要 ( ) PDF全文 ( ) HTML 可视化 收藏
    An efficient synthetic method for multi-substituted xanthones was developed. The reaction of diaryliodonium salts and salicylates was employed for the preparation of the xanthones. This method proceeded through an intermolecular etherification-acylation to give target heterocycles in good yields (up to 91%). Multi-substituted xanthones were gained by shifting the substituent of salicylates or diaryliodonium salts.
  • Lu Liang, Yong Chen, Xu-Man Chen, Yi Zhang, Yu Liu
    中国化学快报. 2018, 29(06): 989-991. https://doi.org/10.1016/j.cclet.2017.12.022
    摘要 ( ) PDF全文 ( ) HTML 可视化 收藏
    A supramolecular nanoparticle that realized the loading and sustained release of ATP was successfully constructed from sulfato-β-cyclodextrin (SCD) and polyethylenimine (PEI). The assembly and disassembly behaviors of supramolecular nanoparticle were investigated by means of Tyndall effect, UV-vis spectroscopy, dynamic light scattering (DLS), zeta potential and transmission electron microscopy (TEM). Significantly, the resulting nanoparticle was disrupted with the increasing of pH and recovered to the spherical nanoparticle as the pH decreased to initial value. Owing to the positive zeta potential, the supramolecular nanoparticle showed the good loading and sustained release abilities towards ATP.
  • Mengyang Li, Pengcheng Cui, Kun Li, Jiahui Feng, Mingming Zou, Xiaoqi Yu
    中国化学快报. 2018, 29(06): 992-994. https://doi.org/10.1016/j.cclet.2017.11.011
    摘要 ( ) PDF全文 ( ) HTML 可视化 收藏
    A dual-site fluorescent probe with double bond and aldehyde as reactive sites, was designed for the selective detection of sulfite and biothiols. Sulfite reacts with conjugate bond selectively, while Cys responses with aldehyde and GSH occurs substitution reaction. Different interactions cause different absorption and fluorescence responses. Moreover, it could be further applied in imaging in living cells.
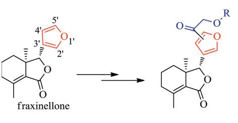
  • Ruige Yang, Yong Guo, Yuanyuan Zhang, Hui Xu
    中国化学快报. 2018, 29(06): 995-997. https://doi.org/10.1016/j.cclet.2017.10.018
    摘要 ( ) PDF全文 ( ) HTML 可视化 收藏
    Fraxinellone, a naturally occurring degraded limonoid, is mainly isolated from Dictamnus dasycarpus and Melia azedarach. In continuation of our program aimed at the discovery of plant natural products-based insecticidal agents, twenty-two new ethers from furyl-ring-based acylation derivatives were prepared by structural modifications of fraxinellone. Their insecticidal activity was evaluated against the pre-thirdinstar larvae of Mythimna separata Walker in vivo. Among them, compounds 5e and 5j exhibited more potent insecticidal activity than toosendanin with the final mortality rates greater than 60%. Their structure-activity relationships were also discussed.